【概述】
这是一台有高-高、高、低、低-低四点报警开关量输出的射频电容式物位开关,由于使用了自行设计的特殊芯片,实现了电容式物位开关的多点输出,实现了电容式物位开关只进一次料便能标定四个输出点的简易操作,实现了电容式物位开关报警、控制与物位显示的三者兼容,从而实现了物位检测的低成本与强功能的完美结合,充分体现了我公司与时俱进的精神和能力。它可用于各种物料作物位高度的粗略显示,或同时作物位高度的控制和报警,特别适用于密炼机作油位报警或测量。
【主要技术指标】
◆ 工作电源:AC220V±10%
或 DC24V
◆ 功耗:<3W
◆ 动作延时:<2~3秒
◆ 仪表工作环境温度:-20~45℃
◆ 探极工作(介质)温度: 普通型: -20~60℃
◆ 中温型: -40~200℃
◆ 高温型: -40~800℃
◆ 介质压力: 压力型: ≤3MPa(其余型号为常压)
◆ 防护等级:IP65
◆ 输出方式:四组继电器常开、常闭触点,对应高-高、高、低、低-低四点输出。(触点容量AC250V,
0.3A;DC28V,0.5A;电阻负载。)
◆ 检测范围: 小于5000p
【探极形式及外形】
 

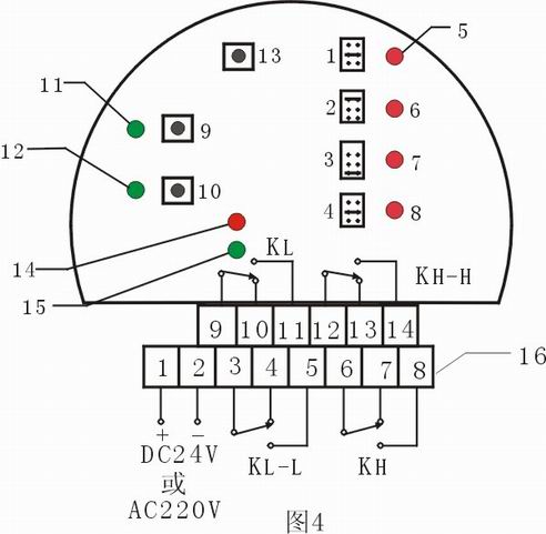
【端子图和显示板元件分布及其功能】

1---高-高输出点选择器,可拔下长方型短路器,改插其他位置(同一组选择器中只能插一个短路
器),使其输出动作点可选在物位的100%、90%或80%处,对应端子12、13、14输出。出厂时置
于90%。
2---高输出点选择器,可选物位的80%、70%、或60%,对应端子6、7、8输出。出厂时置于80%。
3---低输出点选择器,可选物位的50%、40%或30%,对应端子9、10、11输出。出厂时置于30%。
4---低-低输出点选择器,可选物位的20%、10%或0%,对应端子3、4、5输出。出厂时置于10%。
5---高-高输出指示灯(H-H.红色),当高-高位选择器选定动作点(例如90%)后,物位高于等于此点(90%)时,灯亮,否则灯熄,指示物位高度或是否报警。
6---高输出指示灯(H.红色)
7---低输出指示灯(L.红色)
8---低-低输出指示灯(L-L.红色)
9---满仓键(MH)
10---空仓键(ML)
11--满仓标定指示灯(DH.绿色),闪亮表示未进行满仓标定,长亮表示已完成满仓标定。
12--空仓标定指示灯(DL.绿色),闪亮表示未进行空仓标定,长亮表示已完成空仓标定。
13--清除键(MO),与空仓、满仓键配合使用。按下本键再加按空仓键至“空仓标定指示灯”闪亮,清除原空仓标定数据;按下本键再加按满仓键至“满仓标定指示灯”闪亮,清除原满仓标定数据。
14--运行/标定状态指示灯(DY.红色),标定状态时熄,运行状态时亮,出厂时熄。
15--电源指示灯(DE.绿色)
【型号编制及说明】

选型举例
例1:使用要求:介质常温、常压;R1.5
安装;电源AC220V;棒式探极,长1米。
对应型号:CTS-DFD-P-A-A-B-1000
例2:使用要求:介质温度≤150℃;介质压力≤3MPa;防腐蚀;电源DC24V;缆式探极,长3.5米。
对应型号:CTS-DFD-EYF-B-D-L-3500
【选型注意事项】
1. 本物位开关的探极长度可根据现场需要选择,用于物位显示时,应稍短于料仓高度,用于报警,则按需要而定;小于2.5米时应选择棒式探极,超过此长度应选用缆式探极(见图2)。
2. 固体物料并且是非金属料仓或物料介电常数≤1.8时需加辅助探极;液体物料并且是非金属料仓或料槽和其它非规则料仓应选用同轴探极(见图3)。
3. 高温型检测的物料须不导电。
4. 我公司提供选型咨询服务;特殊情况可按用户要求供货。
【投运方法】
本物位开关,必须进行空仓和满仓两次标定以后才能正常运行,可先标定空仓,再标定满仓,
也可先标定满仓,再标定空仓,过程如下:

附标定清除法:如果进行了不满意的标定,想清除,可按下“清除+空仓”键至“空仓标定指示灯”闪亮,清除原空仓标定数据;按下“清除+满仓”键至“满仓标定指示灯”闪亮,清除原满仓标定数据。
【使用技巧及注意事项】
1. 本物位开关应在仓顶垂直安装,外壳地线标志处要可靠连接地网。
2. 建议物位开关内继电器触头不要直接带大电流负载,尤其感性或容性负载。带大电流负载应通过中间继电器,并在负载两端并接浪涌吸收元件。
3. 物位开关从一个料仓换到另一个料仓使用,需按第八项所述方法重新投运。
4. 如需粗略显示物位高度,则可用四只灯泡分别接在四个继电器触点开关上。
|